有关模块安装、拆卸和连接的详细说明,请参阅⮫ 安装说明 。
模块插在 I/O 底板上。
正确定位模块并按压,直到它们锁定到位。接线端子可安装在 DIN 导轨上,也可使用 2 个螺钉和墙壁安装附件进行安装。
通过 I/O 底板的 40 个端子连接 I/O 通道。更换 I/O 模块无需重新接线。
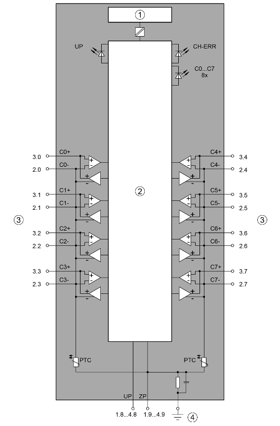
端子 1.8、2.8、3.8 和 4.8 以及端子 1.9、2.9、3.9 和 4.9 在 I/O 底板内相互电气连接,始终具有相同的分配,与插入的模块无关:
端子 1.8、2.8、3.8 和 4.8:过程电压 UP = +24 V DC
端子 1.9、2.9、3.9 和 4.9:过程电压 ZP = 0 V DC
其他终端的分配:
|
终端 |
信号 |
说明 |
|---|---|---|
|
1.0 ...1.7 |
未使用 |
未使用 |
|
2.0 ...2.7 |
C0- ...C7- |
8 个模拟输入/输出的负极 |
|
3.0 ...3.7 |
C0+ ...C7+ |
模拟输入/输出的正极 |
|
4.0 ...4.7 |
未使用 |
未使用 |

- 1
-
输入/输出总线接口
- 2
-
逻辑
- 3
-
模拟输入/输出
- 4
-
功能性接地连接
模拟输入的负极相互连接,形成模块的 "模拟接地 "信号。
模拟输出的负极相互连接,形成模块的 "模拟接地 "信号。
模拟电路与 ZP/UP 之间没有电隔离。因此,模拟传感器必须进行电隔离,以避免通过地电位或电源电压产生回路。
由于模拟电流输入端具有共同的参考电位,因此不能串联,既不能在模块内串联,也不能与其他模块的通道串联。
对于开路检测(断线),每个模拟输入通道被一个高阻抗电阻拉到“plus”。如果没有连接,则将读取最大电压。
模块电路的内部电源电压通过 I/O 总线(由通信接口模块或 CPU 提供)提供。因此,CPU/通信接口模块 L+/UP 和 M/ZP 端子上的 24 V 直流电源消耗电流将增加 2 mA。外部电源通过 UP(+24 V 直流)和 ZP(0 V 直流)端子连接。




警告

带电插拔
只有在满足所有热插拔条件的情况下,才允许在通电情况下拆卸或插入。
在热插拔条件不适用的情况下,这些设备不适合在通电情况下拆卸或插入。由于不可预见的后果,不允许在电源接通的情况下插拔设备。
在执行下列任何操作之前,确保已关闭所有电压源(电源和过程电压):
-
连接或断开任何信号或接线端子。
-
拆卸、安装或更换模块。
在危险场所断开任何通电设备的电源可能会产生电弧,从而形成火源,导致火灾或爆炸。
在开始之前,确保电源已被切断,并已对该区域进行了彻底检查,以确保不存在易燃材料。
在运行期间,切不可打开设备。这同样适用于网络接口。




注意

有损坏 PLC 模块的风险!
过压和短路可能会损坏 PLC 模块。
-
在开始系统操作之前,请确保所有电源(电源电压和过程电压)都已关闭。
-
请勿将任何电压或信号连接到预留端子(标记为 ---)。预留端子可能携带内部电压。
一般情况下,模拟信号必须采用屏蔽电缆铺设。电缆两侧的屏蔽层必须接地。为了避免在设备的不同部分之间出现不可接受的电位差,必须铺设低阻抗等电位连接导体。
过程电压必须包含在控制系统的接地概念中(例如负极接地)。
通过在系统各部分之间安装等电位连接导体,必须确保 ZP 和 AGND 之间的电位差不超过 1 V。
-
以两线制连接电阻温度计
-
以 3 线制连接电阻温度计
-
连接带电隔离电源的有源模拟传感器(电压
-
连接带电隔离电源的有源模拟传感器(电流
-
连接无电隔离电源的有源模拟传感器(电压
-
连接无源型模拟传感器(电流)
-
将有源模拟传感器(电压)连接至差分输入端
-
将模拟输入端用作数字输入端
-
连接模拟输出负载(电压、电流)