标志 
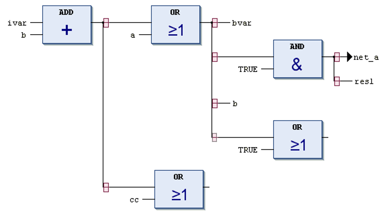
该元素可在 LD 和 FBD 编辑器中使用,代表开放线分支。行分支将从当前光标位置开始的处理行分成 2 个子网络,从上到下依次执行。您可以进一步分支每个子网络,从而在一个网络内创建多个分支。
每个子网络的分支点都有一个标记符号(矩形),您可以选择该标记符号来执行进一步的命令。
“复制”,“剪切” 和“粘贴” 命令不适用于子网络。

要删除子网络,必须先删除网络的所有元素,然后再删除子网络的标记符号。
标志 
该元素可在 LD 和 FBD 编辑器中使用,代表开放线分支。行分支将从当前光标位置开始的处理行分成 2 个子网络,从上到下依次执行。您可以进一步分支每个子网络,从而在一个网络内创建多个分支。
每个子网络的分支点都有一个标记符号(矩形),您可以选择该标记符号来执行进一步的命令。
“复制”,“剪切” 和“粘贴” 命令不适用于子网络。

要删除子网络,必须先删除网络的所有元素,然后再删除子网络的标记符号。