预期目的
AC500-eCo 处理器模块 PM50x2 上的电源和 I/O 连接器使用可拆卸端子板。
对于选件板,弹簧式有不同的可拆卸接线端子。
AC500-eCo Basic CPU 使用 3 针接线端子供电,13 针接线端子连接 I/O 接口。
AC500-eCo 标准 CPU 和Pro CPU 使用 3 针接线端子供电,13 针接线端子和 12 针接线端子用于 I/O 连接器。
对于所有的 CPU,都有一个螺钉和一个弹簧变体可用。
|
基本 CPU |
标准和专业 CPU |
||
|---|---|---|---|
|
弹簧终端 TA5211-TSPF-B |
螺丝端子 TA5211-TSCL-B |
弹簧终端 TA5212-TSPF |
螺丝端子 TA5212-TSCL |
![]() |
![]() |
![]() |
![]() |
各种可拆卸的弹簧端子排可用于可选板。
以下备件可用(取决于针脚的数量)。
|
弹簧端子 |
|||
|---|---|---|---|
|
TA5220-SPF5 |
TA5220-SPF6 |
TA5220-SPF7 |
TA5220-SPF8 |
![]() |
![]() |
![]() |
![]() |




小心

存在造成人员受伤并损坏产品的风险!
安装及维护不当可能会导致人员受伤,并且可能造成产品损坏!
-
必须依据技术规定、规范以及相关标准(例如 EN 60204-1)进行安装和维护。
-
在接线前仔细阅读产品文档。不正确的接线或来自其他设备的错误端子排可能会损坏产品!
-
仅限合资质人员。




小心

使用未经批准的端子排,有受伤和损坏模块的风险!
仅使用经 ABB 认证的端子排,以避免受伤和损坏模块。
PM50x2 端子排组
PM50x2 端子排组
处理器模块 PM50x2 CPU 不与端子排一起交付。
螺钉端子排组:
-
TA5211-TSCL-B (1SAP187400R0001) 适用于 PM5012-x-ETH
-
TA5212-TSCL (1SAP187400R0004) 适用于 PM5032-x-ETH、PM5052-x-ETH、PM5072-T-2ETH(W)、PM5082-T-2ETH
弹簧端子排组:
-
TA5211-TSPF-B (1SAP187400R0002) 适用于 PM5012-x-ETH
-
TA5212-TSPF (1SAP187400R0005) 适用于 PM5032-x-ETH、PM5052-x-ETH、PM5072-T-2ETH(W)、PM5082-T-2ETH
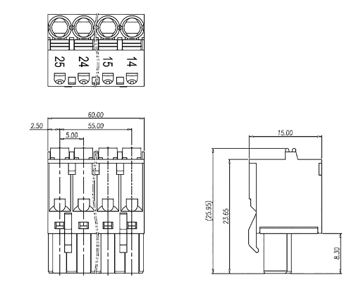
尺寸
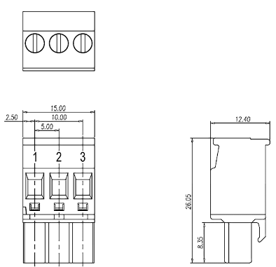
用于电源的 3 针脚端子排
螺钉端子

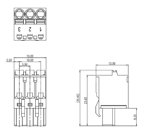
弹簧端子

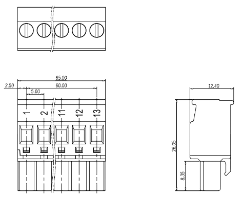
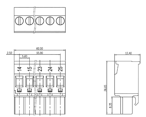
用于 I/O 连接器的 13 针脚端子排
螺钉端子

弹簧端子

用于输入/输出连接器的 12 针接线板
螺钉端子

弹簧端子

可选板用 x 针脚端子排
仅这些 X-针端子排可用于可选板。
TA5220-SPFx, x = 5 ... 8

这就产生了可用弹簧端子排的这些尺寸。
|
说明 |
针脚 |
长度[毫米] |
宽[毫米] |
高度[毫米] |
|---|---|---|---|---|
|
TA5220-SPF5 |
5 |
18.2 |
7.7 |
22.9 |
|
TA5220-SPF6 |
6 |
21.7 |
7.7 |
22.9 |
|
TA5220-SPF7 |
7 |
25.2 |
7.7 |
22.9 |
|
TA5220-SPF8 |
8 |
28.7 |
7.7 |
22.9 |
组装

拆卸

技术数据
|
参数 |
值 |
|
|---|---|---|
|
类型 |
||
|
TA5211-TSCL-B |
可拆卸式 3 针接线板: 螺钉正面/电缆侧面 5.00 毫米间距 |
|
|
TA5212-TSCL |
||
|
使用方法 |
AC500-eCo 处理器模块的电源 |
|
|
导体横截面 |
||
|
固体(铜) |
0.5 mm² ...2.5 mm² |
|
|
柔性(铜) |
0.5 mm² ...2.5 mm² |
|
|
剥线端 |
7 mm |
|
|
紧固扭矩 |
0.5 Nm |
|
|
尺寸 |
||
|
3 针接线板 |
15 mm x 12.4 mm x 26.05 mm |
|
|
重量 |
||
|
TA5211-TSCL-B |
150 克(2 个接线端子) |
|
|
TA5212-TSCL |
200 克(3 个接线端子) |
|
|
参数 |
值 |
|
|---|---|---|
|
类型 |
||
|
TA5211-TSPF-B |
可拆卸式 3 针接线板: 前弹簧/前电缆 5.00 毫米间距 |
|
|
TA5212-TSPF |
||
|
使用方法 |
AC500-eCo 处理器模块的电源 |
|
|
导体横截面 |
||
|
固体(铜) |
0.5 mm² ...2.5 mm² |
|
|
柔性(铜) |
0.5 mm² ...2.5 mm² |
|
|
剥线端 |
11 mm |
|
|
尺寸 |
||
|
3 针接线板 |
15 毫米 x 15 毫米 x 25.95 毫米 |
|
|
重量 |
||
|
TA5211-TSPF-B |
150 克(2 个接线端子) |
|
|
TA5212-TSPF |
200 克(3 个接线端子) |
|
|
参数 |
值 |
|
|---|---|---|
|
类型 |
||
|
TA5211-TSCL-B |
可拆卸式 13 针接线板: 螺钉正面/电缆侧面 5.00 毫米间距 |
|
|
TA5212-TSCL |
可拆卸的 13 针和 12 针接线板: 螺钉正面/电缆侧面 5.00 毫米间距 |
|
|
使用方法 |
用于AC500-eCo 处理器模块的板载 I/O |
|
|
导体横截面 |
||
|
固体(铜) |
0.5 mm² ...2.5 mm² |
|
|
柔性(铜) |
0.5 mm² ...2.5 mm² |
|
|
剥线端 |
7 mm |
|
|
紧固扭矩 |
0.5 Nm |
|
|
尺寸 |
||
|
13 针接线板 |
65 mm x 12.4 mm x 26.05 mm |
|
|
12 针接线板 |
60 mm x 12.4 mm x 26.05 mm |
|
|
重量 |
||
|
TA5211-TSCL-B |
150 克(2 个接线端子) |
|
|
TA5212-TSCL |
200 克(3 个接线端子) |
|
|
参数 |
值 |
|
|---|---|---|
|
类型 |
||
|
TA5211-TSPF-B |
可拆卸式 13 针接线板: 前弹簧/前电缆 5.00 毫米间距 |
|
|
TA5212-TSPF |
可拆卸的 13 针和 12 针接线板: 前弹簧/前电缆 5.00 毫米间距 |
|
|
使用方法 |
用于AC500-eCo 处理器模块的板载 I/O |
|
|
导体横截面 |
||
|
固体(铜) |
0.5 mm² ...2.5 mm² |
|
|
柔性(铜) |
0.5 mm² ...2.5 mm² |
|
|
剥线端 |
11 mm |
|
|
尺寸 |
||
|
13 针接线板 |
65 毫米 x 15 毫米 x 25.95 毫米 |
|
|
12 针接线板 |
60 毫米 x 15 毫米 x 25.95 毫米 |
|
|
重量 |
||
|
TA5211-TSPF-B |
150 克(2 个接线端子) |
|
|
TA5212-TSPF |
200 克(3 个接线端子) |
|
|
参数 |
值 |
|
|---|---|---|
|
类型 |
||
|
TA5220-SPF5 |
可拆卸式 5 针接线板: 前弹簧,前电缆 3.50 mm 间距 |
|
|
TA5220-SPF6 |
可拆卸式 6 针接线板: 前弹簧,前电缆 3.50 mm 间距 |
|
|
TA5220-SPF7 |
可拆卸式 7 针接线板: 前弹簧,前电缆 3.50 mm 间距 |
|
|
TA5220-SPF8 |
可拆卸式 8 针接线板: 前弹簧,前电缆 3.50 mm 间距 |
|
|
使用方法 |
AC500-eCo 选件板的连接器 |
|
|
导体横截面 |
||
|
固体(铜) |
0.2 mm² ...1.5 mm² |
|
|
柔性(铜) |
0.2 mm² ...1.5 mm² |
|
|
剥线端 |
8 毫米 ...10 mm |
|
|
尺寸 |
||
|
TA5220-SPF5 |
18.2 mm x 7.7 mm x 22.9 mm |
|
|
TA5220-SPF6 |
21.7 mm x 7.7 mm x 22.9 mm |
|
|
TA5220-SPF7 |
25.2 mm x 7.7 mm x 22.9 mm |
|
|
TA5220-SPF8 |
28.7 mm x 7.7 mm x 22.9 mm |
|
|
重量 |
||
|
TA5220-SPF5 |
150 g |
|
|
TA5220-SPF6 |
170 g |
|
|
TA5220-SPF7 |
180 g |
|
|
TA5220-SPF8 |
200 g |
|
订购数据
|
零件号 |
说明 |
|---|---|
|
1SAP 187 400 R0001 |
TA5211-TSCL-B:用于AC500-eCo CPU Basic 的螺钉接线端子套件 前端螺丝,电缆侧 5.00 mm 间距
|
|
1SAP 187 400 R0002 |
TA5211-TSPF-B:用于AC500-eCo CPU Basic 的弹簧接线端子套件 前弹簧,前电缆 5.00 mm 间距
|
|
零件号 |
说明 |
|---|---|
|
1SAP 187 400 R0004 |
TA5212-TSCL:用于AC500-eCo 标准和专业 CPU 的螺钉接线端子套件 前端螺丝,电缆侧 5.00 mm 间距
|
|
1SAP 187 400 R0005 |
TA5212-TSPF:用于AC500-eCo 标准和专业 CPU 的弹簧接线端子套件 前弹簧,前电缆 5.00 mm 间距
|
|
零件号 |
说明 |
|---|---|
|
1SAP 187 400 R0012 |
TA5220-SPF5:弹簧接线端子,可拆卸,5 针,弹簧前端,电缆前端,每个包装单元 6 件 |
|
1SAP 187 400 R0013 |
TA5220-SPF6:弹簧接线端子,可拆卸,6 针,弹簧前端,电缆前端,每个包装单元 6 件 |
|
1SAP 187 400 R0014 |
TA5220-SPF7:弹簧接线端子,可拆卸,7 针,弹簧前端,电缆前端,每个包装单元 6 件 |
|
1SAP 187 400 R0015 |
TA5220-SPF8:弹簧接线端子,可拆卸,8 针,弹簧前端,电缆前端,每个包装单元 6 件 |







